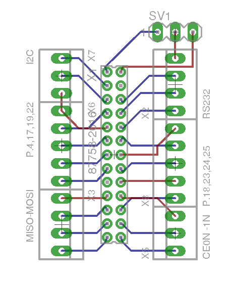
La Raspberry tiene un conector para poder expandirse. Dicho conector posee los siguientes buses y puertos.
- Bus I2C
- Puerto Serie
- Puerto MISO-MOSI
- Puerto CE0N – CE1N
- 8 salidas / entradas
- Masa
- +3.3v
- +5v

He diseñado un conector para poder utilizar los puertos mediante conectores específicos. En el caso del puerto Serie, se puede seleccionar la tensión de alimentación del conversor TTL +5V ó +3.3V
